PA旗舰厅官网

中文 EN
返回
产品详情

产品选型表

自动缠膜机

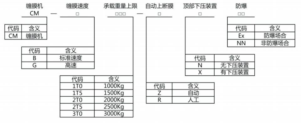
实例:CM-B1T5-ZPNEx表示缠膜机参数为:缠膜速度为标准速度,承载重量上限1500Kg,自动上断膜,无顶部下压装置,防爆场合。

缠膜速度:低速20-25托/H,高速60~90托/H。


主要功能

  • 自动进跺、自动缠膜、自动夹膜、自动断膜、自动扶膜、自动出跺、自动复位

  • 转盘旋转、送膜、膜架升降单独电机控制,速度变频可调,缓起缓停功能

  • 选用耐磨胶辊,使用寿命长,最小限度损伤缠绕膜,保证出膜平整、光滑、拉伸均匀

  • 缠绕膜膜架为动力预拉伸机构,预拉伸达 300%,减小耗膜量

  • 防爆与非防爆可选

  • 全程 PLC 控制,PLC输入输出留有空点,留有单独计算机连接接口:并逐级设定管理控制权限


主要技术参数

名称

技术参数

包装货物

产品+托盘

货物尺寸

1200*1200MM*H1600MM

最大承载重量

<1500KG

包装效率
20-30托/小时
缠绕膜规格
膜宽500mm、膜卷φ250mm、膜芯φ78mm
输送方式
滚筒输送
转盘高度
650mm+20mm
外形尺寸
2250*3150*H2850mm
整机重量
1500KG左右
设备材质
碳钢烤漆
电源380V/50Hz/4Kw

气源

0.4~0.7Mpa


上一个 自动码垛机
填写信息获取相关资料

img

关注公众号

img

关注视频号

期待您的致电

售后服务:0756-8150114

销售专线:400-7808-806

期待您的来信